United States of America
20 mm (0.79") Mark 16
Pictures

Updated 19 November 2008


WNUS_20mm_mk16_test_pic.jpg

Test firing a 20 mm Mark 16 Mod 5 at the Naval Ordnance Station, Louisville, Kentucky in October 1969
U.S. Navy Photograph No. DN-SC-90-01946


WNUS_20mm_mk16_Hoist_pic.jpg

20 mm Mark 16 on USS Hoist ARS-40 in July 1983
Note that the shield and ammunition box did not elevate with the weapon
U.S. Navy Photograph No. DN-ST-83-11237



WNUS_20mm_mk16_pic.jpg

Mark 16 on PTF-18 at Coastal River Division 21, Great Lakes, Illinois in 1974
Picture copyrighted by Jim Mottern and use here courtesy of Robert Stoner of Warboats



WNUS_20mm_mk16_mounting_sketch.jpg

20 mm Mark 16 on Mark 67 Mod 1 Mounting
Sketch from NAVORD 3990 and use here courtesy of Robert Stoner of Warboats



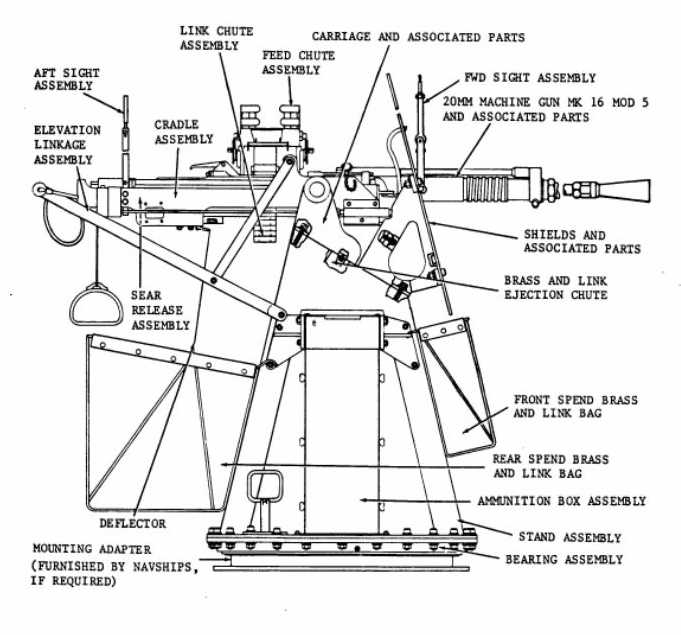
WNUS_20mm_mk16_sketch.jpg

Click on this picture for a larger image